GN 7404-NI
GN 7404
Двусторонние воздухопроницаемые мембраны
78711-R,20
78710-R,10
78712-R,50
илиGN 300-30-B5-SW;60
GN 612-5-M12x1,5-A;40
DIN 172-B10,5-20-A;50
ISO 8675-M8x1-04-BT;10
Корпус
Мембрана
Нетканый материал на основе нейлона / смачиваемый акриловый сополимер
Оболочка мембраны
Пластик (полиамид PA)
Предохранительный сетчатый фильтр
Нержавеющая сталь AISI 304
Уплотнение / кольцевое уплотнение
Бутадиен-нитрильный каучук (Пербунан®)
Двусторонние воздухопроницаемые мембраны GN 7404 используются при строительстве зданий и изготовлении оборудования. При установке в стенку корпуса их можно использовать для выравнивания давления между внутренним объёмом корпуса и окружающей средой.
Вся грязь, пыль, масло или водяной пар удерживаются снаружи. Это препятствует попаданию грязи и влаги внутрь корпуса и предотвращает попадание масла в окружающую среду.
Для защиты мембран они не должны быть полностью погружены в масло или воду; также не следует превышать перепад давлений / объём проходящего воздуха. Они должны устанавливаться сбоку / вертикально в защищённом положении.
Внешний Ø корпуса с углубленным шестигранником предназначен для навинчивания на наружную резьбу штуцера DIN 3852.
В углублении на его плоской стороне находится прокладка . Это предотвращает её деформацию и выдавливание при затягивании.
Инструкция по сборке: Для монтажа на стенах толщиной менее 4 мм используйте монтажные гайки GN 7430.
В мембранах используется нетканый материал на основе нейлона в качестве подложки с абсолютно неупорядоченной структурой. Миниатюрные поры мембраны возникают благодаря полному насыщению волокон полиакрилом, который не заполняет промежутки в материале.
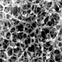
Параметры материала и технологический режим влияют на размер пор в процессе производства, который может колебаться от 0,2 до 10 мкм. Для определения качества мембраны может быть использована порометрия. Это оценочная процедура, которая определяет, помимо прочего, распределение размеров пор мембраны и её проницаемость. На иллюстрации показано поперечное сечение мембраны. под микроскопом.
Для сравнения: минимальная ширина сетки фильтра, изготовленного экономически целесообразным методом, составляет 50 мкм.
Мембрана, микроскопические изображения, увеличение 2000×
Мембраны отталкивают масло и воду благодаря свойствам и поверхностной структуре их материалов. Это полностью предотвращает попадание капель воды и масла на поверхность мембраны. Данные свойства сохраняются при установке мембраны сбоку в вертикальном положении.
Если, в исключительных обстоятельствах, мембрана оказывается погружённой в среду, то небольшие количества масла или воды могут быть продавлены через мембрану из-за перепада давления. Как только ситуация изменится, масло и вода стекут с поверхности и функция мембраны полностью восстановится.
Максимальный объём пропускаемого воздуха, максимальный перепад давления, а также максимальное номинальное / разрывное давление – всё это важные параметры при использовании мембран. Существует линейная связь между достижимым объёмом проницающего воздуха и перепадом давления, который не должен превышать 1 бар.
Температурные ограничения – оболочка мембраны не может быть использована при температурах, превышающих 100 °C. Мембрана сама по себе может выдерживать температуру вплоть до 150 °C.
Ограничения химической среды – мембраны устойчивы к широкому спектру химических веществ, часто используемых в машино- и автомобилестроении, например, маслам, топливам, органическим растворителям, а также спиртам. При наличии любых сомнений должен быть проведён тест на химическую стойкость.
Ваш запрос был отправлен. Ответ придет в ближайшее время