GN 707.4-NI
GN 707.4
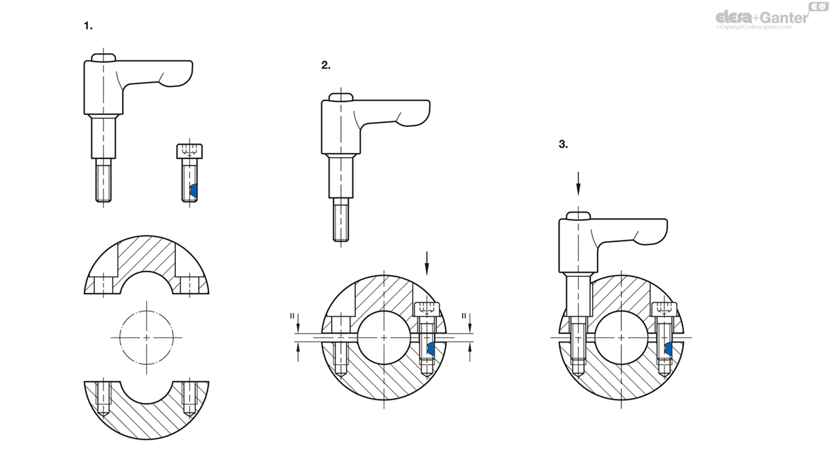
Разрезные установочные кольца
78711-R,20
78710-R,10
78712-R,50
илиGN 300-30-B5-SW;60
GN 612-5-M12x1,5-A;40
DIN 172-B10,5-20-A;50
ISO 8675-M8x1-04-BT;10
Установочное кольцо
Винт с головкой под торцевой ключ ISO 4762
Нержавеющая сталь AISI 304
Резьбовой фиксатор
Покрытие на полиамидной основе (PFB)
Синий цвет
Регулируемые ручки рычажного типа
Разрезные установочные кольцa GN 707.4 используются в случае возможности осевого монтажа. Они зажимаются легко и быстро без инструментов за счёт уменьшения высоты паза при помощи регулируемого рычага управления. Например, это позволяет их использование в качестве концевого ограничителя, подлежащего частой регулировке.
Фиксатор резьбы входящего в комплект винта с головкой под торцевой ключ обеспечивает сохранение высоты паза, установленной во время монтажа, даже при отпускании зажимного рычага.
Размеры разрезных установочных колец соответствуют полуразрезным установочным кольцам GN 706.2 / GN 706.4. Резьба d3 для размеров d1 = 16–36 выполнена по всему отверстию; для размеров d1 = 42 и больше как глухое отверстие.
Ваш запрос был отправлен. Ответ придет в ближайшее время